-
2017年12月29日如何實現多伺服電機同步控制?
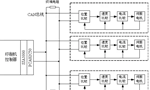
在印刷機械行業中,多電機的同步控制是一個非常重要的問題。本文針對傳統的機械長軸印刷機同步控制系統,提出了以控制器為核心的現場總線控制系統,以CAN現場總線實現在控制器和伺服之間的通信。此方案不僅克服了傳統機械長軸控制方案的各種機械元件帶來的缺點,而且還具有同步性能好、各伺服單元不互相干擾、控制精度高、維護方便等優點。
-
2017年12月29日17張經典動態圖為您解析電動機運行原理。
電動機的工作方式不外乎與磁鐵和磁性相關:電動機使用磁鐵產生運動。如果您曾經玩過磁鐵的話,就知道所有磁鐵都具有以下基本法則:同極相斥,異極相吸。因此,如果有兩根磁鐵,并且每根的兩端分別標有“北”和“南”,則一根磁鐵的北極將會吸住另一根磁鐵的南極。
-
2017年12月28日西瑪電機該如何維護及保養?
西安泰富西瑪電機的保養維護需由有相關資質的專業人員進行。對于長期放置的電機,在使用之前必須對機械性能和電氣性能進行檢查,以保證電機安全可靠運行。在使用前檢查電機繞組絕緣電阻:絕緣電阻是指在額定電壓下運行的部件和元件與地之間或者相互之間的絕緣能力。
-
2017年12月28日無刷電機與步進電機的差異。
直流無刷電機比步進電機的轉速高;步進電機由于驅動方式的原因,一定時間內給與的脈沖數量有限,所以步進電機一般的工作轉速大多都在500轉/分鐘以下,超過500轉/分鐘的話步進電機扭矩損失成直線下降。而無刷電機由數字信號通過霍爾傳感器進行換向工作,沒有碳刷的限制,轉速可以做到很高的轉速,3000-8000r/min。
-
2017年12月27日同步電機如何準確控制轉矩?
電機的額定轉矩表示額定條件下電機軸端輸出轉矩。轉矩等于力與力臂或力偶臂的乘積,在國際單位制(SI)中,轉矩的計量單位為牛頓?米(N?m),電機軸端輸出轉矩等于轉子輸出的機械功率除以轉子的機械角速度。
-
2017年12月27日電動機保護器安裝步驟
西安泰富西瑪電機使用電動機保護器時必須注意控制線路的接線問題,以確保機器的正常運行,它可以代替斷路器、接觸器、熱繼電器、熔斷器等低壓電器的一項產品。
-
2017年12月27日特種電機:并購整合將成常態?
特種電機行業在我國已經形成比較完整的產業體系,特種電機產品的品種、規格、性能和產量基本能夠上滿足中國國民經濟發展的需要。特種電機歸屬于中小型電機行業,隨著中小型電機中產品結構的調整和優化,特種專用電機將成為電機行業發展的重點,其市場需求及發展速度將在電機行業中處于領先地位。
-
2017年12月27日集中度降低,微特電機行業競爭激烈。
前瞻產業研究院《2013-2017年中國微特電機行業市場需求預測與投資戰略規劃分析報告》分析認為,隨著我國對裝備制造業扶持力度不斷加大,行業技術水平將得到快速提升;同時,節能、環保、高效成為未來發展重要趨勢,而對于高效、節能的微特電機的推廣也將加快,例如步進電機最終都將被永磁電機所替代,新原理電機也將隨著市場、技術的進
西安西瑪電機在食品級輸送機的創新與探索
淺談西瑪電機近年的變革之路
深入解析西安泰富西瑪電機的卓越優勢
西安西瑪YE5高效電機深得用戶信賴和認可!
電控學院與西安泰富西瑪電機有限公司舉行產學研
西安西瑪電機與西北工業大學開展“雙進”活動,
西瑪YR355M3-8 YRW355M3-8
YKK系列高壓三相異步電機西安泰富西瑪YKK系列(H355-1000)高壓三相異步電機可作驅動
Y2系列緊湊型高壓異步電機西安泰富西瑪?Y2系列(H355-560)6KV緊湊型高壓異步電機可
YE3系列高效節能電機西安泰富西瑪電機生產的YE3系列高效節能電機達到了國標二級能效標準,
Z4系列直流電機西安泰富西瑪Z4系列直流電動機比Z2、Z3系列具有更大的優越性,它不
Z2系列小型直流電機西安泰富西瑪Z2系列電機為一般工業用小型直流電機,其電動機適用于恒功
ZTP型鐵路機車動車用直流輔助西安泰富西瑪ZTP系列西瑪電機應能滿足鐵路機車動車用直流輔助電機通用



西安西瑪電機緊跟電機行業的發展趨勢,了解電機市場動態,制定出西瑪電機的發展規劃,穩步前行。
隨著國家節能減排的積極推行,新能源汽車產業快速增長及高效節能電機補貼政策的逐步落實,高效節能電機業將迎來爆發式的增長。
西瑪電機售后維修業務有:軸料加工件、鋼板切割、焊接件、高壓機殼、冷卻器、上下罩、高、低壓交直流電機;國內、外電機的修理、維護和試驗。
質量為本,用戶至上”是我公司一貫宗旨。“誠心、貼心、傾心、西瑪永遠用心”的“三心”服務理念。
西安泰富西瑪電機(西安西瑪電機集團股份有限公司)是國內九大的電機供應商之一,產品包括各種高低壓、交直流、高壓同步電機等。













